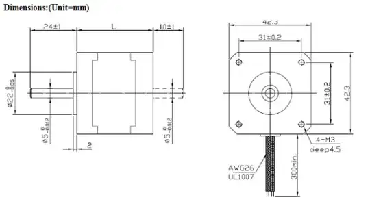
My stock extruder motor feed mechanism had started to shave the filament but not feed correctly. I order a REDREX Tech dual gear all-metal extruder to fix the problem. I ordered a hobby gear puller, removed the press-fit brass gear, and now have yet another problem. The shaft on the Ender 3D Pro is not long enough on the stepper motor to ensure the grub screw engages at the proper height with the idler gear. I'm anticipating having to shave a flat spot on the shaft (with a Dremel Tool) to ensure the grub screw does not hinder the 360-degree rotation of either of the two gears but now need to know how to order a motor with a shaft long enough to do this.
The literature that accompanied the REDREX Tech showed a 22 mm shaft height. I checked this with my digital micrometer and found I only have 13.5 mm of the shaft on this Creality-provided OEM stepper motor. So how or where may I order a replacement stepper motor with the shaft longer by about 10-12 mm? Does the stepper motor 42-40 need to be a 42-50 where the second set of digits is the required extra 10 mm length of the shaft?


