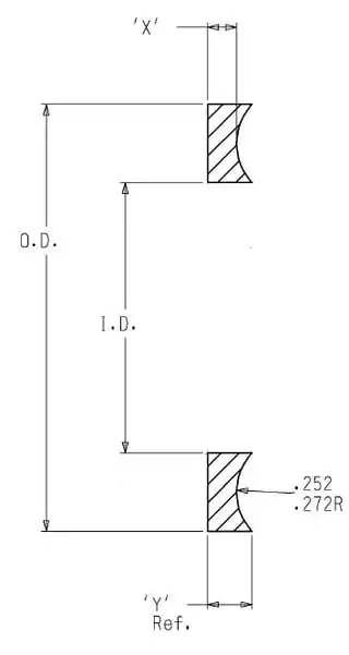
I am trying to come up with a way to calculate the cross-sectional area of the shape shown in the figure below. My first method would be to subtract the circle from the rectangle like this: $$(Y)\left(\frac{OD-ID}{2}\right)-A_{circle}$$, however, I do not know how to calculate the area of this circle since the OD and ID are not tangent to it. Also, I would prefer to use the $'X'$ dimension since $'Y'$ is a reference only.
