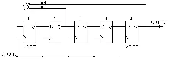
Clocked is an electronics term and here it applies to the LFSR's implementations;
Assume that the LFSRs are implemented with D-FLip-Flop that can store values in bits.

At each clock, the waiting input (D) passes the output (Q) and in LFSRs that go to the next cell. This is the shift operation.
The clock of the system simultaneously acts on D-fLip-flops if not controlled by some other logic. If one controls the clock with an additional logic/value as in ASG

then according to the logic, D-fLip-flop may not be clocked that result in keeping the same values. The LFSR still outputs the same value as the previous clock.
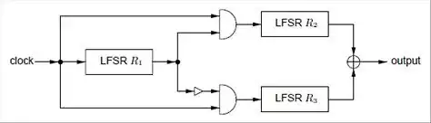
In software you can consider this like;
Have an LFSR class that hast two functions apart from the constructor, destructor, and some other utilities like the current step value;
advance() -> that shifts the LSFR and feedback the new value according to the feedback polynomial
getOutput()
According to control value, one call advance() then getOutput() or just getOutput(). The latter is keeping the previous values.